75A-1

From Collins Museum
Jump to navigation Jump to search

The 75A-1 is an HF (80, 40, 20, 15, 11 &10 meter band) Amateur Radio Receiver. It uses a Permeability Tuned Oscillator as the RF source and a Crystal Filter for selectivity.

Brochure

75A-1 Amateur Band Receiver, Page 1
75A-1 Amateur Band Receiver, Page 2
75A-1 Amateur Band Receiver, Page 3
75A-1 Amateur Band Receiver, Page 4
75A-1 Amateur Band Receiver, Page 5

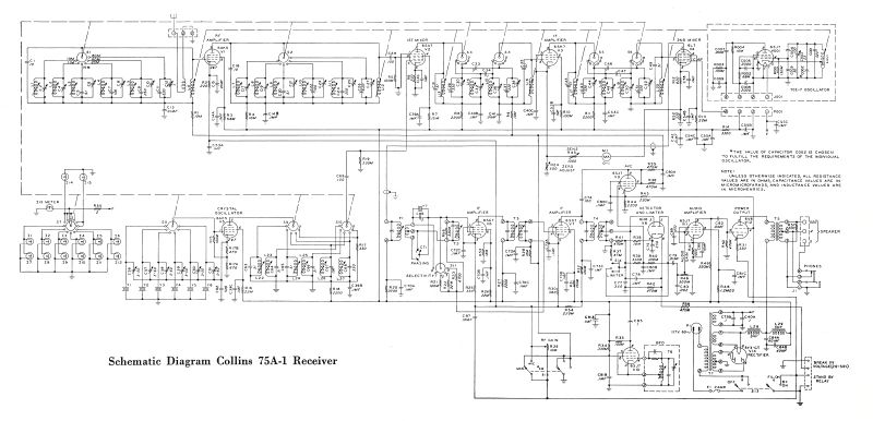
Schematic

75A-1 Schematic

Circa

Introduced 1946 – Discontinued 1950