32V-2

From Collins Museum
Jump to navigation Jump to search

The 32V-2 is an HF (80, 40, 20, 15, 11 &10 meter band) Amateur radio transmitter rated at 150 Watts CW and 120 Watts AM (phone). It utilizes the 70E-8A Permeability Tuned Oscillator as the RF source.

Brochure

32V-2 150 Watt Transmitter, Page 1
32V-2 150 Watt Transmitter, Page 3
32V-2 150 Watt Transmitter, Page 4

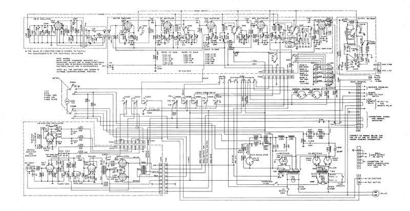
Schematic

32V-2 Schematic

Circa

Introduced 1949 – Discontinued 1951