32V-1

From Collins Museum
Revision as of 23:32, 28 April 2020 by Larry (talk | contribs)
Jump to navigation Jump to search

The 32V-1 is an HF (80, 40, 20, 15, 11 &10 meter band) Amateur Radio Transmitter rated at 150 Watts CW and 120 Watts AM (phone). It utilizes the 70E-8A Permeability Tuned Oscillator as the RF source.

Brochure

32V-1 150 Watt Transmitter, Page 1
32V-1 150 Watt Transmitter, Page 3
32V-1 150 Watt Transmitter, Page 4

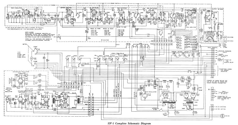
Schematic

32V-1 Schematic

Circa

Introduced 1946 - Discontinued 1949